Consumer Electrical Equipment: The Advantages of Configurable PSU over Muliptle PSU
By Fred He/MWUSA Technical Service Dept.
fred.he@meanwellusa.com
Consumer Electrical Equipment is used everywhere in our daily life and usually operated by an ordinary person such as 3D printers in a factory, mass spectrometry analyzers in a laboratory, or mobile medial carts in a hospital. These Electrical Equipments often integrate with various electrical components to form its function. For example, a 3D printer consists of a motor for printing, LCD screen for display and control, sensors to direct the printer head and heating elements, etc. These peripheral components are operated at difference DC voltages that require multiple AC to DC power supplies that often caused the equipment fails to meet the low Earth Leakage Current (500μA~750μA) requirement set out by safety regulations because the Equipment Earth Leakage Current is the total earth leakage current of each individual AC to DC power supply. Since the operator is an ordinary person, regulatory compliance sets such low leakage current to minimize hazard to operators. To meet the low leakage current requirement, a multiple outputs AC to DC power supply is widely used because it only consists of one front-end and multiple outputs that can be configured to meet the peripheral components voltage and power requirements.
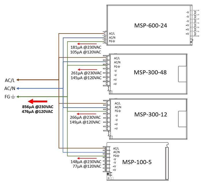
Figures 1 and 2 show the leakage current test results of the MEAN WELL NMP1K2-HHEKC#-01, which consists of four outputs 24V, 12V, 48V, and 5V, and the total leakage current of four power supplies: MSP-600-24, MSP-300-12, MSP-300-48 and MSP-100-5.
It’s observed that the NMP1K2-HHEKC#-01 earth leakage current is 234μA at 230Vac, which is much less than the 856μA total Erath leakage current of the four MSP power supplies. Therefore, the NMP1K2-HHEKC#-01 leakage current meets the 500μA~750μA leakage current requirement of the Consumer Electrical Equipment.

Figure 1: Earth Leakage current 138μA at 120Vac input and 234μA at 230Vac input

Figure 2: Total earth Leakage current 476μA at 120Vac input and 856μA at 230Vac input
Besides solving the leakage current requirement, a single configurable multiple output power supply can also provide space-saving that allows the Electrical Equipment to be designed with the smaller form factor. Moreover, implementing one configurable power supply simplifies the AC input wirings that reduce Electromagnetic Interference (EMI) in the equipment and limits the need for EMI debugging as compare to the use of multiple power supplies, which often requires additional EMI filter to pass EMI.
MEAN WELL NMP series is an intelligent configurable power supply with high performance, high reliability, and 1U height compact form factor. It has not only multiple independent configurable outputs but also is certified to both ITE industrial and Medical safety regulation 62368-1 and 60601-1 respectively with earth Leakage current less than 400μA. Therefore, the NMP series has all advantages over the multiple PSU for Consumer Electrical Equipment as well as other Medical Equipment.